How Trucks Use and Support Engineering
Note: This article may contain affiliate links. If you purchase through them, Unifunful may earn a commission at no additional cost to you.
Short Answer: The engineers being celebrated during National Engineers Week either design and engineer heavy-duty trucks or use heavy-duty trucks to get to and around construction sites as quickly, efficiently and safely as possible.
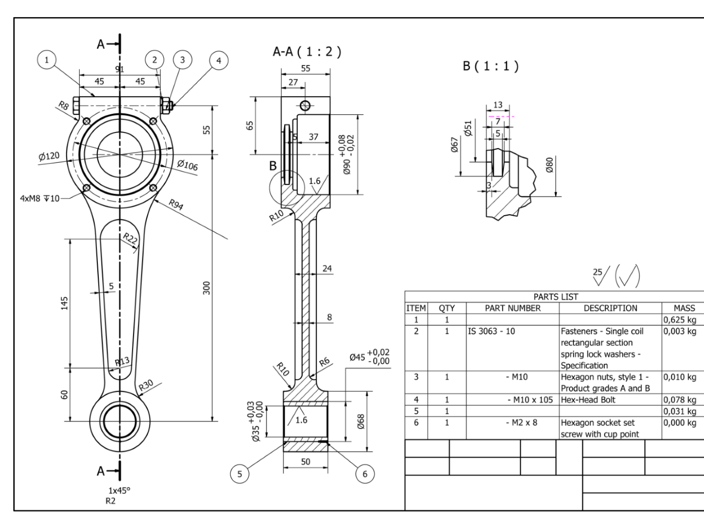
Image 1: Computer-aided design (CAD) drawings like this one of an engine connecting rod are how most, if not all, of the components in heavy-duty trucks start
We now know the importance of tools like CAD and computational fluid dynamics (CFD) software. Many engineers use them everyday. But what kind of tool or machine are these software tools used most often? What is an example of a tool or machine designed by this software that’s rugged and can be used in tough environments? There’s one machine that can answer both of these questions, and it is a heavy-duty pickup truck.
These machines start life as CAD drawings and utilize CFD software to reduce drag and improve fuel efficiency. They also boast powerful engines to help get the job done on and off site. Heavy-duty pickup trucks, therefore, can be described as being more than the sum of their parts.
These many parts are assembled on assembly lines once the design and engineering behind all the components has been finalized and the tooling for the manufacturing plant is complete. This process, too, is overseen by experienced and qualified engineers that ensure the machinery and layout inside the manufacturing plant are within defined specifications and are placed in the correct locations inside the facility.
Image 2: Heavy-duty pickup trucks are assembled on assembly lines similar to the one depicted in the image above
To ensure all parts of these heavy-duty pickups are assembled well, the newly assembled trucks undergo rigorous internal inspection and quality control measures. Once the pickup trucks are assembled and have passed internal inspection and other quality control measures, they are then distributed to dealerships within the manufacturer’s network. From here, prospective customers—like those that work in unforgiving terrain or civil engineering firms—have a chance to compare the different heavy-duty truck offerings available to them. These heavy-duty trucks will then be used to help other kinds of engineers complete other engineering projects in the field.
For engineers and firms operating in rugged environments, aftermarket accessories such as durable floor mats and tonneau covers from companies like OEDRO can help protect vehicle interiors and equipment. Visit The Unifunful Toolkit today and search for OEDRO if you’re interested to learn more.
Image 3: Quality-built heavy-duty trucks are used by several engineering firms to help get the project done on and off site
Bottom Line: Heavy-duty trucks rely on high-level engineering to help prospective clients like civil engineering firms complete projects for their clients as safely and efficiently as possible
Image 4: Heavy-duty trucks remain a solid choice for prospective customers like civil engineering firms and those who work outside an office building
Let us know what topics you’d like us to tackle next in the comments below!
See more small doses of inspiration from Unifunful Today here
See our thought-provoking articles from Everyday Engineering here and investigate the engineering behind everyday items and places
See our articles from Engineering in Motion here to see how engineering moves us around the world
Missed last week? No worries, we got you! See what we covered last week and more in our weekly status reports here
Discover the vision and values guiding the Unifunful mission here
First time visiting Unifunful? Become familiar with the history and foundation Unifunful was built on here
Meet the contributors who make Unifunful possible here

